Duke Swivel With Roller Bearing

The Swivel with Roller Bearing is designed for flexible movement and reduced friction in lifting and rigging applications. It allows 360-degree rotation, enabling the connected load to move freely without twisting or tangling the rigging equipment.

The roller bearing inside the swivel reduces friction during rotation, ensuring smooth performance and extending the lifespan of the swivel and surrounding rigging components.

  • Fatigue Rated x 1.5 WLL for 20,000 cycles
  • Proof Tested – 2.5 times Working Load Limit
  • 100% Magnaflux Crack Detected
  • Super Alloy Steel
  • Rotates Under Load
  • Safety Factor 4:1

Description

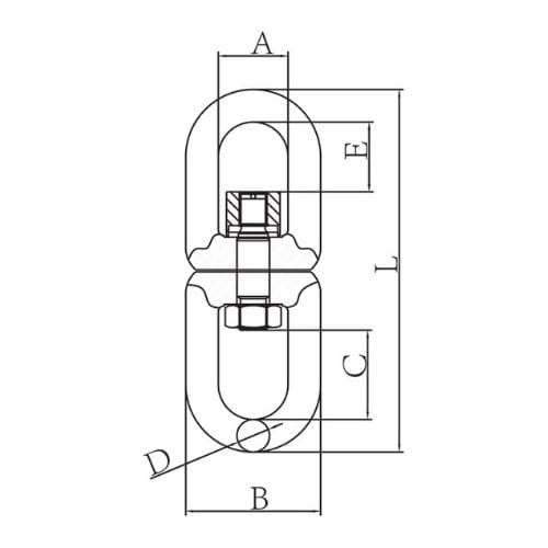
Product Code Size (mm) Weight (kg) WLL (T) A B E C D L
XN283-10 10 1.85 3.15T 38.0 76.0 34.5 51.0 19.0 209
XN283-13 13 5.50 5.3T 60.0 116 60.0 77.0 28.0 312